Определение цилиндра: его основание и высота, разновидности
Разбираемся в особенностях трехмерного геометрического тела под названием цилиндр. Смотрим виды цилиндров, его свойства, какие бывают развертки, а также даем определения составным частям этой фигуры.
Что такое цилиндр в геометрии
Цилиндр — это трехмерное геометрическое тело, которое ограничено цилиндрической поверхностью и двумя параллельными плоскостями.
Цилиндрическая поверхность — это поверхность, которая образуется за счет движения в пространстве прямой (образующей) параллельно самой себе, пересекающей данную линию (направляющую).
Осторожно! Если преподаватель обнаружит плагиат в работе, не избежать крупных проблем (вплоть до отчисления). Если нет возможности написать самому, закажите тут.
Основания — это одинаковые круги, которые ограничивают цилиндр и находятся параллельно друг другу.
Образующая — отрезок, который соединяет точки окружностей оснований цилиндра и перпендикулярный плоскостям этих оснований. Она равна высоте цилиндра или расстоянию от одного его основания до другого.
Виды цилиндров
Классификация цилиндров может быть разной в зависимости от тех или иных параметров:
- по наклону образующей;
- по форме основания.
У прямого цилиндра образующие строго перпендикулярны основаниям фигуры.
В случае, когда этот угол не равен \(90^\circ\), цилиндр называют наклонным.
Помимо кругов, в основаниях фигуры могут быть еще и эллипсы или другие замкнутые фигуры. Однако, кроме замкнутых форм, основании цилиндру может служить и парабола, и гипербола, и любая друга открытая функция. Такой цилиндр будет называться развернутым.
Как найти высоту цилиндра
Рассмотрим варианты нахождения высоты фигуры, а также длины ее образующей (которая равна этой высоте).
- Первым делом взглянем на формулу: \(V=\pi R^2\times H\), где V — объем цилиндра, R — радиус основания, H — высота фигуры.
Через эту формулу можем выразить высоту:
\(H=\frac V{\pi R^2}\)
Таким образом мы можем узнать H данного геометрического тела, если нам известен его объем и радиус. Если же вместо радиуса мы знаем диаметр, формула расчета будет выглядеть так:
\(H=\frac{4V}{D^2}\)
В случае, когда нам известен диаметр и площадь фигуры, мы так же можем найти высоту. Следует обратить внимание, что в зависимости от того, будет ли известна площадь боковой или полной поверхности, формула будет меняться.
Для расчета S боковой поверхности (часть, ограниченная цилиндрической поверхностью) цилиндра мы используем формулу:
\(S=2\pi RH\)
выражаем H и получаем:
\(H=\frac S{2\pi R}\)
Если известна S полной поверхности (включает в себя площадь оснований фигуры), используем формулу:
\(S=2\pi R(H+R)=2\pi R\times H+2\pi R^2\)
выражаем H и получаем:
\(H=\frac{S-2\pi R^2}{2\pi R}\)
- Для третьего способа нужно будет провести прямоугольное сечение, ширина которого должна будет совпадать с диаметрами оснований, а длина — с образующими цилиндра.
Таким образом, получается прямоугольный треугольник САВ. А так как высота равна образующей, мы можем вычислить ее по теореме Пифагора:
\(СВ^2=АС^2-АВ^2\)
\(H=СВ=\sqrt{АС^2-АВ^2}\)
Развертка
Как уже было упомянуто выше, всего существует две площади поверхности цилиндра: боковой поверхности и полной поверхности. У каждой из них также есть и своя развертка. Разберемся, как они выглядят.
Развертка боковой поверхности
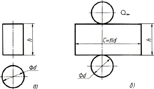
Легче всего представить себе развертку боковой поверхности цилиндра, посмотрев на этикетку пластиковой бутылки. Когда вы ее отклеиваете, то видите прямоугольник. То же самое и с цилиндрическим геометрическим телом: развёрткой его боковой поверхности является прямоугольник. Его длина соответствует длине окружности, лежащей в основании, а ширина — высоте самой трехмерной фигуры.
Развертка полной поверхности
Если развернуть полную поверхность цилиндра, получится примерно то же самое, только с двумя дополнительными элементами в виде окружностей оснований. Выглядит это так:
Заметили ошибку?
Выделите текст и нажмите одновременно клавиши «Ctrl» и «Enter»
Нашли ошибку?
Текст с ошибкой:
Расскажите, что не так



